
Miniature Bearings Australia
BF0150-0170-0170-PA29 - Datasheet
Iglidur
Category Information
Bushes - Flanged - Plastic - Iglidur A290Iglidur A290 Plastic Flanged Bushes. Food grade for low speeds and direct contact with food and pharmaceuticals.
- An expanded range may be available on special order. Please enquire.
- Specific Gravity 1.39 g/cm3.
- Operating Temp 180 C short term / 140 C long term.
- Tensile Strength at 20 Deg C = 250 Mpa.
- Hardness 88 Shore D (DIN53505).
- Bushing bore tolerance shown is after a H7 press fit.
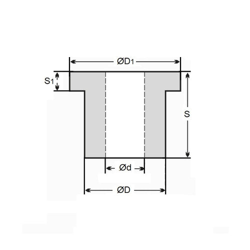
Product Data
- Nominal Inside Diameter (d)
:
15.000
mm
+ 0.050 / + 0.160
(Equiv. 0.591 in.) - Nominal Outside Diameter (D)
17.000
mm
(Equiv. 0.669 in.) - Length (s)
17.000
mm
+ 0.000 / - 0.270
(Equiv. 0.669 in.) - Flange OD (D1) 23.00 mm
- Flange Thickness (s1) 1.00 mm
- Material Iglidur A290
Product Compliance and Data
Additional Resources
- DU Bush Material Information
- General Bushes Catalogue
- Sintered Bronze Products Catalogue
- Solid Bronze Bushes catalogue
Cross References
- Igus A290FM-1517-17
- A290FM151717


