
Miniature Bearings Australia
BF0120-0136-0056-PC2 - Datasheet
Iglidur
Category Information
Bushes - Clip - Double FlangedDouble Flanged Clip Bushes. For use with sheet metal. Used as a light duty split bearing.
- Low clearance. Maintenance free. Economical. High Precision. High wear resistance.
- Light weight
- M250 Polymer minus 40 Deg C to 80 Deg C (minus 40 Deg F to 176 Deg F)
Product Data
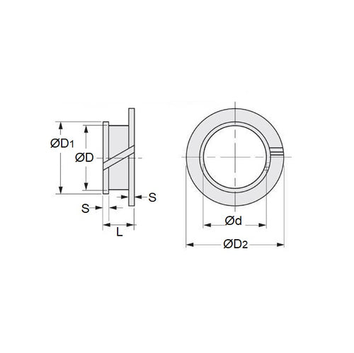
- Nominal Inside Diameter (d)
:
12.000
mm
+0.050 / +0.160
(Equiv. 0.472 in.) - Nominal Outside Diameter (D)
13.600
mm
(Equiv. 0.535 in.) - Overall Length
5.600
mm
+0.000 / +0.200
(Equiv. 0.22 in.) - Large Flange Dia 17.000 mm
- Flange Width (S) 0.8 mm +0.000 / -0.100
- Small Flange Dia 14.400 mm
- Min Housing Bore 13.330 mm
- Max Housing Bore 13.600 mm
- Min Shaft Size 11.975 mm
- Max Shaft Size 12.000 mm
- Sheet Metal Thickness 3.45 to 3.92
- Material Plastic
Product Compliance and Data
Additional Resources
- DU Bush Material Information
- General Bushes Catalogue
- Sintered Bronze Products Catalogue
- Solid Bronze Bushes catalogue
Cross References
- S99GMCM1214456


