
Miniature Bearings Australia
BF0095-0111-0035-PC2 - Datasheet
Iglidur
Category Information
Bushes - Clip - Double FlangedDouble Flanged Clip Bushes. For use with sheet metal. Used as a light duty split bearing.
- Low clearance. Maintenance free. Economical. High Precision. High wear resistance.
- Light weight
- M250 Polymer minus 40 Deg C to 80 Deg C (minus 40 Deg F to 176 Deg F)
Product Data
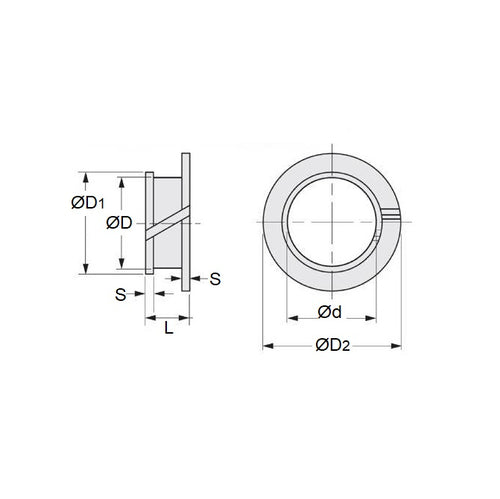
- Nominal Inside Diameter (d)
:
9.525
mm
+0.040 / +0.130
(Equiv. 0.375 in.) - Nominal Outside Diameter (D)
11.113
mm
(Equiv. 0.438 in.) - Overall Length
3.505
mm
+0.000 / +0.200
(Equiv. 0.138 in.) - Large Flange Dia 14.288 mm
- Flange Width (S) 0.8 mm +0.000 / -0.100
- Small Flange Dia 11.906 mm
- Min Housing Bore 10.843 mm
- Max Housing Bore 11.113 mm
- Min Shaft Size 9.500 mm
- Max Shaft Size 9.525 mm
- Sheet Metal Thickness 1.02 to 1.91
- Material Plastic
Product Compliance and Data
Additional Resources
- DU Bush Material Information
- General Bushes Catalogue
- Sintered Bronze Products Catalogue
- Solid Bronze Bushes catalogue
Cross References
- S99GMC-384714
- S99GMC384714


