
Miniature Bearings Australia
BP0200-0240-0160-BSLT - Datasheet
MBA
Category Information
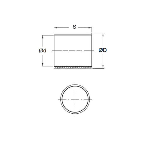
Bushes - Unflanged - Bronze - SinteredSintered Bronze Unflanged Bushes. Oil impregnated sintered bronze bushes.
- An expanded range may be available on special order. Please enquire.
- Precision items show an allowable Load Speed Rating in Newtons times RPM.
Product Data
- Nominal Inside Diameter (d)
:
20.000
mm
+ 0.005 / + 0.030
(Equiv. 0.787 in.) - Nominal Outside Diameter (D)
24.000
mm
+ 0.036 / + 0.061
(Equiv. 0.945 in.) - Length (s)
16.000
mm
+/- 0.120
(Equiv. 0.63 in.) - Comments ISO2795
Product Compliance and Data
Additional Resources
- DU Bush Material Information
- General Bushes Catalogue
- Sintered Bronze Products Catalogue
- Solid Bronze Bushes catalogue
Cross References
- Oilite AM-2024-16
- Oilube AM-2024-16
- BP020002400160BS
- AM202416


