
Miniature Bearings Australia
BF0160-0200-0120-BS2420LT - Datasheet
MBA
Category Information
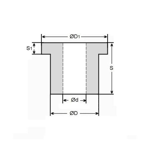
Bushes - Flanged - Bronze - SinteredSintered Bronze Flanged Bushes. Oil impregnated flanged sintered bronze bushes.
- An expanded range may be available on special order. Please enquire.
- Precision items show an allowable Load Speed Rating in Newtons times RPM.
Product Data
- Nominal Inside Diameter (d)
:
16.000
mm
+ 0.005 / + 0.030
(Equiv. 0.63 in.) - Nominal Outside Diameter (D)
20.000
mm
+ 0.035 / + 0.060
(Equiv. 0.787 in.) - Length (s)
12.000
mm
+/- 0.120
(Equiv. 0.472 in.) - Flange OD (D1) 24.00 mm
- Flange Thickness (S1) 2.00 mm
- Comments ISO2795
Product Compliance and Data
Additional Resources
- DU Bush Material Information
- General Bushes Catalogue
- Sintered Bronze Products Catalogue
- Solid Bronze Bushes catalogue
Cross References
- Oilube FM-1620-12
- BF016002000120BS2420
- FM162012


