
Miniature Bearings Australia
GE-09525-14923-ST-OH - Datasheet
MBA
Category Information
Bushings - Spherical - Steel - With Oil HoleWith Oil Hole Steel Spherical Bushings. Steel spherical plain bearings. Also known as ball bushings.
- Self-aligning bearing that has spherical inner and outer rings, allowing it to handle both large radial and axial loads simultaneously.
- Used in applications with slow swinging movements or where misalignment must be compensated for, such as in control linkages, suspension components, and industrial machinery.
- Designed to reduce vibration and noise by allowing articulating motion in a fixed directional load.
- Compensates for axial loads and misalignment.
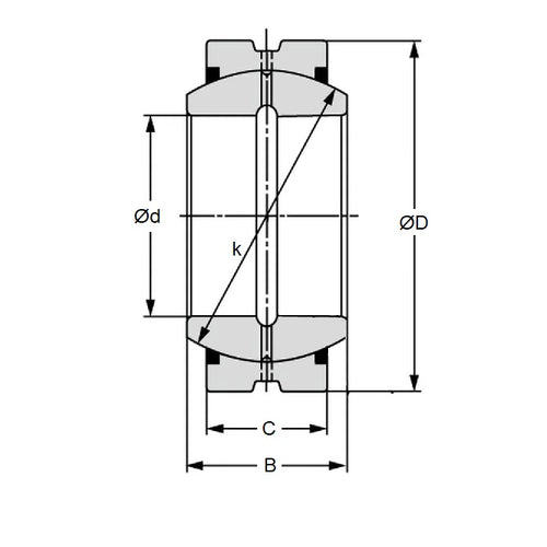
Product Data
- Bore (d1)
:
95.250
mm
(Equiv. 3.75 in.) - OD (d2)
149.230
mm
(Equiv. 5.875 in.) - Width (B)
83.340
mm
(Equiv. 3.281 in.) - Outer Width (C) 71.42 mm
- Dynamic Load Capacity 97900 kgf
- Static Load Capacity 587000 kgf
- Features No Wiper Seals / With Oil Hole
- Material Steel
Product Compliance and Data
Additional Resources
Cross References
- IKO SBB60
- Nachi SBB-60


