
Miniature Bearings Australia
MLM-200M-168-CNY-0LH - Datasheet
MBA
Category Information
Mounts - Levelling Studded - Light Duty - Nylon - No Lag HolesNo Lag Holes Nylon Light Duty Levelling Studded Mounts. Adjusters.
- An expanded range may be available on special order. Please enquire.
Product Data
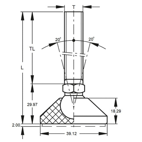
- Thread Size (A) : M20 (20x2.5mm)
- Base Diameter (D)
58.4
mm
(Equiv. 2.299 in.) - Foot Height (C)
18.3
mm
(Equiv. 0.72 in.) - Thread Length (F) 168.0 mm
- Base Height (E) 30.0 mm
- Overall Height 198.00 mm
- Load Rating 900 Kg
- 20
- Material Steel
Product Compliance and Data
Additional Resources
Cross References
- MLM0168M20NC
- MLM0900M20NC
- RL1209P
- RL-1209-P


