
Miniature Bearings Australia
MLM-095C-062-S3NY-0LH - Datasheet
MBA
Category Information
Mounts - Levelling Studded - Light Duty - Nylon - No Lag HolesNo Lag Holes Nylon Light Duty Levelling Studded Mounts. Adjusters.
- An expanded range may be available on special order. Please enquire.
Product Data
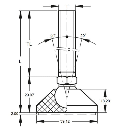
- Thread Size (A) : 3/8-16 UNC (9.53mm)
- Base Diameter (D)
78.7
mm
(Equiv. 3.098 in.) - Foot Height (C)
18.3
mm
(Equiv. 0.72 in.) - Thread Length (F) 61.5 mm
- Base Height (E) 29.9 mm
- Overall Height 91.44 mm
- Load Rating 900 Kg
- 20
- Material Stainless Steel
Product Compliance and Data
Additional Resources
Cross References
- MLM0061095CNS3
- MLM0900095CNS3
- RL-1301-S
- RL1301S


