
Miniature Bearings Australia
MLM-127C-125-CNY-0LH - Datasheet
MBA
Category Information
Mounts - Levelling Studded - Light Duty - Nylon - No Lag HolesNo Lag Holes Nylon Light Duty Levelling Studded Mounts. Adjusters.
- An expanded range may be available on special order. Please enquire.
Product Data
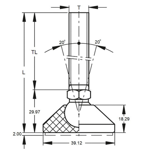
- Thread Size (A) : 1/2-13 UNC (12.7mm)
- Base Diameter (D)
78.7
mm
(Equiv. 3.098 in.) - Foot Height (C)
18.3
mm
(Equiv. 0.72 in.) - Thread Length (F) 125.0 mm
- Base Height (E) 29.9 mm
- Overall Height 154.94 mm
- Load Rating 900 Kg
- 20
- Material Steel
Product Compliance and Data
Additional Resources
Cross References
- MLM0125127CNC
- MLM0900127CLNC
- RL-1304-P
- RL1304P


