Miniature Bearings Australia - MBA Minibearings
Miniature Bearings Australia

HM218248 - Datasheet

MBA

Category Information

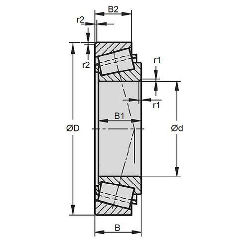
Bearings - Tapered Roller Cone

Tapered Roller Cone Bearings. Replacements for existing tapered roller cones (inner part). Match with part number on your existing bearing. It is recommended that you change both cup and cone whenever possible.

  • Tapered roller bearings provide for high thrust and axial loads, and are commonly used in automotive applications such as wheels, differentials and gearboxes.
  • Match the cone with the appropriate cup as listed in the tables. Sometimes there will be a range of cups to suit. Be sure to check the dimesions thoroughly.
  • The cup is the outer part of the bearing, and has no rollers. An expanded range may be available on special order. Please enquire.

Product Data

  • Inside Diameter : 90.000 mm
    (Equiv. 3.543 in.)
  • Cone Width 40.000 mm
    (Equiv. 1.575 in.)
  • Matching Cups HM218210
  • rs1 min 7.000 mm
  • rs2 min 3.500 mm
  • Basic Dynamic Load Rating 220000 Cr (N)
  • Basic Static Load Rating 325000 Cor (N)
  • Limiting Speed with Grease 2300 RPM
  • Material Chrome Steel
Country of Origin: JP

Product Compliance and Data

Additional Resources

    View full details