
Miniature Bearings Australia
GHK0953-0953-070 - Datasheet
ExaktKey
Category Information
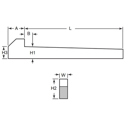
Keys - Gib Head - SteelSteel Gib Head Keys. Tapered 3.000 mm per 300 mm (1:100)
- An expanded range may be available on special order. Please enquire.
Product Data
- Nominal Key Height (H1)
:
9.525
mm
(Equiv. 0.375 in.) - Width (W)
9.525
mm
(Equiv. 0.375 in.) - Length (L)
69.9
mm
(Equiv. 2.752 in.) - Approx (B) 7.62
- Material Cold Finished Steel
Product Compliance and Data
Additional Resources
Cross References
- NoCor GIB-0375-2750
- GIB03752750


