
Miniature Bearings Australia
GHK0953-0953-127 - Datasheet
ExaktKey
Category Information
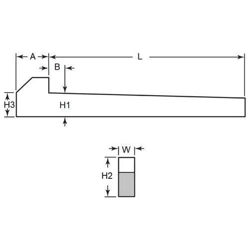
Keys - Gib Head - SteelSteel Gib Head Keys. Tapered 3.000 mm per 300 mm (1:100)
- An expanded range may be available on special order. Please enquire.
Product Data
- Nominal Key Height (H1)
:
9.525
mm
(Equiv. 0.375 in.) - Width (W)
9.525
mm
(Equiv. 0.375 in.) - Length (L)
127.0
mm
(Equiv. 5 in.) - Head Height (h2) Approx. 15.9 mm
- Approx (B) 7.62
- Approx (H3) 10.31
- Taper 1:100
- Standard BS46
- Head Length (Approx) (A) 11.113 mm
- Material Cold Finished Steel
Product Compliance and Data
Additional Resources
Cross References
- 68471A178
- NoCor GIB-0375-5000
- GIB03755000


