
Miniature Bearings Australia
BIN-00953-HS - Datasheet
MBA
Category Information
Balls - InspectionInspection Balls. Premium short shank inspection balls are used as reference points for inspection applications in conjunction with coordinate measuring machines to accurately measure the workpiece.
- Inspection balls are similar to checking balls and are also used for dimensional inspection and calibration purposes.
- nspection balls are designed to meet specific measurement requirements and standards, and they are used to check the accuracy, roundness, and surface finish of machined features.
- These balls are commonly used in quality control processes to ensure that manufactured parts meet the required specifications.
- Made from case hardened 8620 steel
- Concentricity of ball to shank is 0.00254mm (0.0001 in.) TIR
Product Data
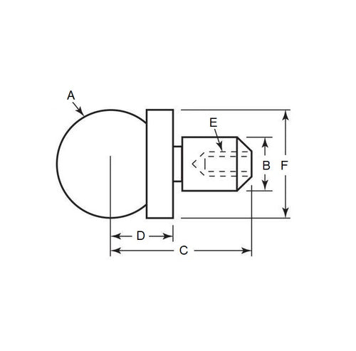
- Diameter (A)
:
9.525
mm
+ 0.0 / - 0.0051
(Equiv. 0.375 in.) - Shank Diameter (B)
7.938
mm
+ 0.0 / - 0.0051
(Equiv. 0.313 in.) - Base to Centre (C)
18.796
mm
+/- 0.0051
(Equiv. 0.74 in.) - Shoulder to Centre (D) 7.620 mm
- Thread 8-32 UNC (4.166mm)
- Shoulder Diameter 12.700 mm
- Material Carbon Steel
Product Compliance and Data
Additional Resources
Cross References
- PIB-10603
- PIB10603


