
Miniature Bearings Australia
BF0095-0159-0127-BS2216LT - Datasheet
MBA
Category Information
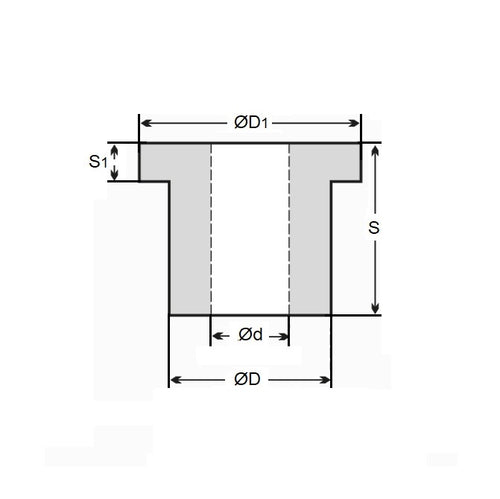
Bushes - Flanged - Bronze - SinteredSintered Bronze Flanged Bushes. Oil impregnated flanged sintered bronze bushes.
- An expanded range may be available on special order. Please enquire.
- Precision items show an allowable Load Speed Rating in Newtons times RPM.
Product Data
- Nominal Inside Diameter (d)
:
9.525
mm
+ 0.000 / + 0.025
(Equiv. 0.375 in.) - Nominal Outside Diameter (D)
15.875
mm
+ 0.025 / + 0.051
(Equiv. 0.625 in.) - Length (s)
12.700
mm
+/- 0.127
(Equiv. 0.5 in.) - Flange OD (D1) 22.23 mm
- Flange Thickness (S1) 1.59 mm
- Material Bronze SAE 841 Sintered
Product Compliance and Data
Additional Resources
- DU Bush Material Information
- General Bushes Catalogue
- Sintered Bronze Products Catalogue
- Solid Bronze Bushes catalogue
Cross References
- 6338K461
- Oilite FF-607-2
- Oilube FF-607-2
- Oilite FF607-2
- BF009501590127BSF2216
- FF6072


