
Miniature Bearings Australia
BP0095-0143-0095-BSHT - Datasheet
MBA
Category Information
Bushes - Unflanged - Bronze - SinteredSintered Bronze Unflanged Bushes. Oil impregnated sintered bronze bushes.
- An expanded range may be available on special order. Please enquire.
- Precision items show an allowable Load Speed Rating in Newtons times RPM.
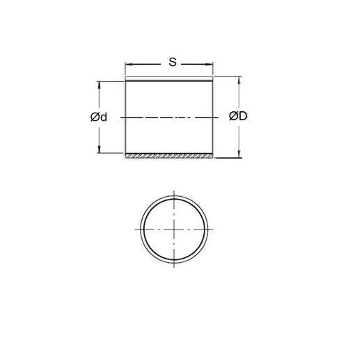
Product Data
- Nominal Inside Diameter (d)
:
9.525
mm
+ 0.051 / + 0.076
(Equiv. 0.375 in.) - Nominal Outside Diameter (D)
14.288
mm
+ 0.038 / + 0.064
(Equiv. 0.563 in.) - Length (s)
9.525
mm
+/- 0.127
(Equiv. 0.375 in.) - Material Bronze SAE 841 Sintered
Product Compliance and Data
Additional Resources
- DU Bush Material Information
- General Bushes Catalogue
- Sintered Bronze Products Catalogue
- Solid Bronze Bushes catalogue
Cross References
- 6391K181
- Symmco SS-1218-6
- SS12186
- BP009501430095BSHH
- A7B4-SP121803
- A7B4SP121803


