
Miniature Bearings Australia
BF0095-0143-0168-BS1924TH - Datasheet
MBA
Category Information
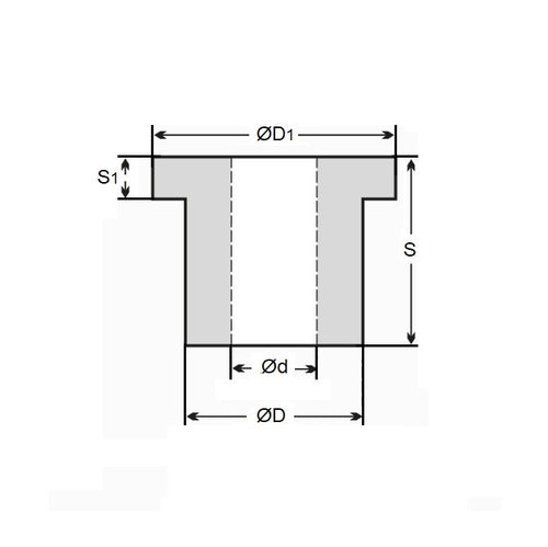
Bushes - Flanged - Bronze - SinteredSintered Bronze Flanged Bushes. Oil impregnated flanged sintered bronze bushes.
- An expanded range may be available on special order. Please enquire.
- Precision items show an allowable Load Speed Rating in Newtons times RPM.
Product Data
- Nominal Inside Diameter (d)
:
9.525
mm
+ 0.025 / + 0.051
(Equiv. 0.375 in.) - Nominal Outside Diameter (D)
14.288
mm
+ 0.063 / + 0.089
(Equiv. 0.563 in.) - Length (s)
16.764
mm
+/- 0.127
(Equiv. 0.66 in.) - Flange OD (D1) 19.05 mm
- Flange Thickness (S1) 2.36 mm
- Material Bronze SAE 841 Sintered
Product Compliance and Data
Additional Resources
- DU Bush Material Information
- General Bushes Catalogue
- Sintered Bronze Products Catalogue
- Solid Bronze Bushes catalogue
Cross References
- A7B4-F074
- A7B4F074
- BF009501430168BS
- BF009501430168BSTH


