
Miniature Bearings Australia
BF0095-0127-0095-BS1616LT - Datasheet
MBA
Category Information
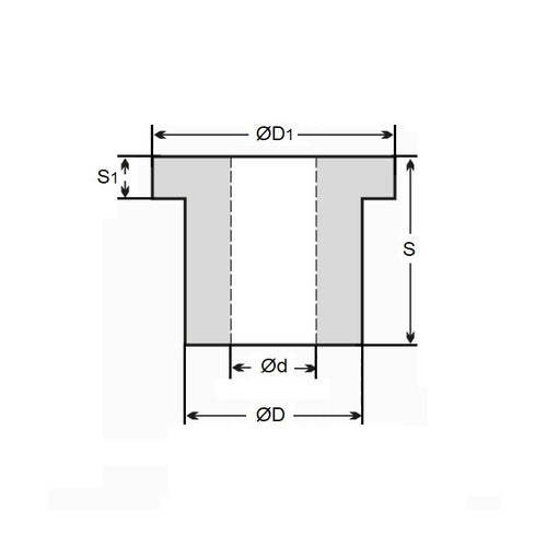
Bushes - Flanged - Bronze - SinteredSintered Bronze Flanged Bushes. Oil impregnated flanged sintered bronze bushes.
- An expanded range may be available on special order. Please enquire.
- Precision items show an allowable Load Speed Rating in Newtons times RPM.
Product Data
- Nominal Inside Diameter (d)
:
9.525
mm
+ 0.012 / + 0.038
(Equiv. 0.375 in.) - Nominal Outside Diameter (D)
12.700
mm
+ 0.025 / + 0.051
(Equiv. 0.5 in.) - Length (s)
9.525
mm
+/- 0.127
(Equiv. 0.375 in.) - Flange OD (D1) 15.88 mm
- Flange Thickness (S1) 1.59 mm
- Material Bronze SAE 841 Sintered
Product Compliance and Data
Additional Resources
- DU Bush Material Information
- General Bushes Catalogue
- Sintered Bronze Products Catalogue
- Solid Bronze Bushes catalogue
Cross References
- Oilite FF-520-10
- Oilube FF-520-10
- Oilite FF520-10
- A7B4BF1212
- A7B4-BF1212
- BF009501270095BS
- FF52010


