
Miniature Bearings Australia
BP0095-0127-0191-BSTH - Datasheet
MBA
Category Information
Bushes - Unflanged - Bronze - SinteredSintered Bronze Unflanged Bushes. Oil impregnated sintered bronze bushes.
- An expanded range may be available on special order. Please enquire.
- Precision items show an allowable Load Speed Rating in Newtons times RPM.
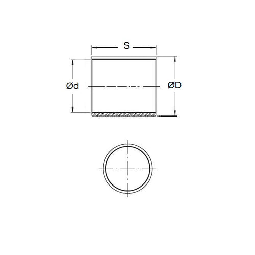
Product Data
- Nominal Inside Diameter (d)
:
9.525
mm
+ 0.025 / + 0.051
(Equiv. 0.375 in.) - Nominal Outside Diameter (D)
12.700
mm
+ 0.051 / + 0.076
(Equiv. 0.5 in.) - Length (s)
19.050
mm
+/- 0.127
(Equiv. 0.75 in.) - Material Bronze SAE 841 Sintered
Product Compliance and Data
Additional Resources
- DU Bush Material Information
- General Bushes Catalogue
- Sintered Bronze Products Catalogue
- Solid Bronze Bushes catalogue
Cross References
- 6391K176
- Bunting EP060812
- Daemar P-38-6
- Small Parts SBB-6-12
- BP009501270191BS
- BNT131
- BNT-131
- SBB612
- QT44
- QT4-4
- P386
- A7B4BP1224
- A7B4-BP1224


