
Miniature Bearings Australia
REF-095-R-PP-A - Datasheet
MBA
Category Information
Rod Ends - Female - PlasticPlastic Female Rod Ends. Thermoplastic Body / L280(R) Polymer Ball. Also known as Heim Joints
- An expanded range may be available on special order. Please enquire.
- Dimensions not shown are available on request.
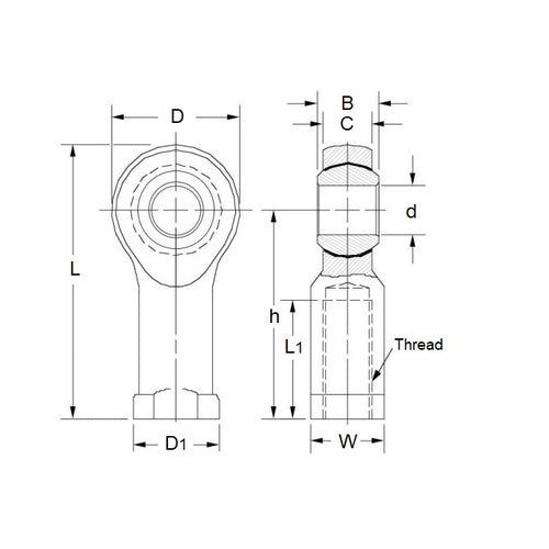
Product Data
- Eye Size (d1)
:
9.525
mm
(Equiv. 0.375 in.) - Overall Length (L)
53.98
mm
(Equiv. 2.125 in.) - Thread Size 3/8-24 UNF Right
- Thread Length (l2) 20.62 mm
- Head Width (W) 12.70 mm
- Eye Width (W1) 9.12 mm
- Head Diameter (D1) 20.64 mm
- Centre Height (l1) 41.28 mm
- Grease Nipple No
- Max Angle of Pivot 22 °
- Max Torque Strength 7.00 n.m
- Body Width/Flange Width(W2/D3) 17.45 / 20.62 mm
- Material Plastic
Product Compliance and Data
Additional Resources
Cross References
- 1064K74-RIGHT
- Igus KBRI-06
- 1064K74RIGHT
- KBRI06
- I-506
- I506


