Miniature Bearings Australia - MBA Minibearings
Miniature Bearings Australia

IR-0080-0100-0110 - Datasheet

MBA

Category Information

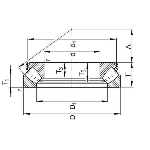
Bearings - Needle Roller Inner Rings

Needle Roller Inner Rings Bearings. Hardened sleeves for needle roller bearings.

  • Needle roller inner rings are high strength, high precision sleeves, that are used as a high quality surface on which a needle roller bearing can to run.
  • Pair them with a suitable needle roller where the bearing ID matches the inner ring OD.
  • They can be used to sleeve a worn shaft, or in applications where it is desirable to run the bearing on an easily replacebale surface.

Product Data

  • Inside Diameter : 8.000 mm
    (Equiv. 0.315 in.)
  • Outside Diameter 10.000 mm
    (Equiv. 0.394 in.)
  • Length (L) 11.000 mm
    (Equiv. 0.433 in.)
  • Material Chrome Steel
Country of Origin: JP

Product Compliance and Data

Additional Resources

Cross References

  • Misumi IR8X10X11
  • IKO LRT81011
  • Misumi LRT81011
  • Nachi LRT-81011
View full details