
Miniature Bearings Australia
PLIT-080-158C-74-LK-C - Datasheet
MBA
Category Information
Plungers - Indexing - Locking - With Knob - SteelSteel With Knob Locking Indexing Plungers. Used to prevent change in locking position due to shearing force. Spring loaded for use in fastening, locating and indexing on equipment, tooling and other applications.
- Spring-loaded pin used to lock a part into a specific position.
- To use it, pull the handle or knob, which retracts the pin, allowing the part to be moved freely. When released the pin springs back into a hole, securing the part in its new position.
- Body and pin are steel with black oxide finish.
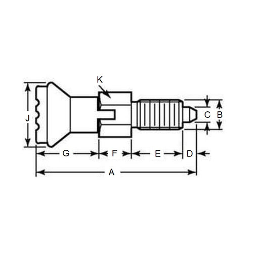
Product Data
- Thread (B) : 5/8-11 UNC (15.88mm)
- Thread Length (E)
26.0
mm
(Equiv. 1.024 in.) - Initial End Force 1.5 N
- Final End Force 3.6 N
- Tip Diameter (C) 8.0 mm
- Tip Length (D) 7.9 mm
- Handle Length (G) 30.0 mm
- Hex Diameter (K) 19.1
- Material Steel
Product Compliance and Data
Additional Resources
Cross References
- GIP-70
- GIP70


