Miniature Bearings Australia - MBA Minibearings
Miniature Bearings Australia

REF-080-R-PP - Datasheet

MBA

Category Information

Rod Ends - Female - Plastic

Plastic Female Rod Ends. Thermoplastic Body / L280(R) Polymer Ball. Also known as Heim Joints

  • An expanded range may be available on special order. Please enquire.
  • Dimensions not shown are available on request.

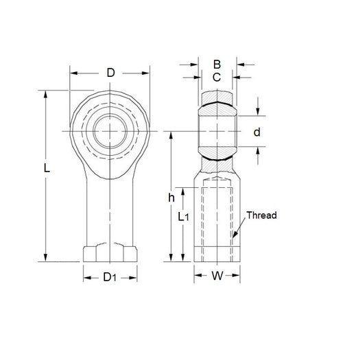
Product Data

  • Eye Size (d1) : 8.000 mm
    (Equiv. 0.315 in.)
  • Overall Length (L) 48.00 mm
    (Equiv. 1.89 in.)
  • Thread Size M8x1.25 Right
  • Thread Length (l2) 16.00 mm
  • Head Width (W) 9.00 mm
  • Eye Width (W1) 12.00 mm
  • Head Diameter (D1) 24.00 mm
  • Centre Height (l1) 36.00 mm
  • Grease Nipple No
  • Max Angle of Pivot 25 °
  • Max Torque Strength 12.10 n.m
  • Body Width/Flange Width(W2/D3) 13.00 / 16.00 mm
  • Material Plastic
Country of Origin: US

Product Compliance and Data

Additional Resources

    Cross References

    • KBRM08
    • KBRM-08
    • I-534
    • I534
    • S62GFRM0812R
    View full details