
Miniature Bearings Australia
DT-24RS - Datasheet
MBA
Category Information
Linear - Ball Slide Assembly - PrecisionPrecision Ball Slide Assembly Linear. These precision ball slides have a typical coefficient of friction of 0.003 and provide straight line accuracy of 0.0005mm per mm of travel.
- At load capacity a life of 250 million mm of travel can be expected. The expected life at half load capacity is 2.5 billion mm.
- Factory preload adjustment prevents sideplay and backlash. Lightweight aluminium carriage and base with high load capacity.
- Four tapped and threaded carriage holes and counterbored base holes simplify installation and component mounting.
- Long life, self cleaning ball bearing needs no lubrication.
- Positional repeatability 0.005mm. Clear anodised finish.
Product Data
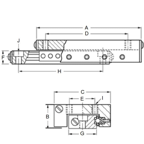
- Travel
:
76.200
mm
(Equiv. 3 in.) - Load Capacity 6.350 Kg
- Carriage Length (A)
103.124
mm
(Equiv. 4.06 in.) - Overall Height (B) 8.128 mm
- Carriage Width (C) 14.224 mm
- Carriage Bolt Centre (D) 92.075 mm
- Carriage Bolt Centre (E) 5.537 mm
- Rail Height (F) 4.750 mm
- Rail Width (G) 6.350 mm
- Rail Bolt Centres Length (H) 85.725 mm
- Carriage Bolt Size 2-56 UNC
- Base Bolt Size 2-56 UNC
Product Compliance and Data
Additional Resources


