
Miniature Bearings Australia
GE-07000-11000-ST-OH-SP - Datasheet
MBA
Category Information
Bushings - Spherical - Steel - With Oil HoleWith Oil Hole Steel Spherical Bushings. Steel spherical plain bearings. Also known as ball bushings.
- Self-aligning bearing that has spherical inner and outer rings, allowing it to handle both large radial and axial loads simultaneously.
- Used in applications with slow swinging movements or where misalignment must be compensated for, such as in control linkages, suspension components, and industrial machinery.
- Designed to reduce vibration and noise by allowing articulating motion in a fixed directional load.
- Compensates for axial loads and misalignment.
Product Data
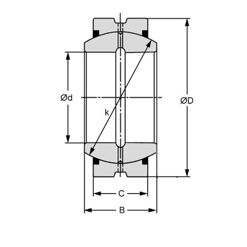
- Bore (d1)
:
70.000
mm
(Equiv. 2.756 in.) - OD (d2)
110.000
mm
(Equiv. 4.331 in.) - Width (B)
58.000
mm
(Equiv. 2.283 in.) - Outer Width (C) 50.00 mm
- Dynamic Load Capacity 50000 kgf
- Static Load Capacity 300000 kgf
- Features Spring and oil Hole on OD
- Material Steel
Product Compliance and Data
Additional Resources
Cross References
- IKO SB-7011058
- SB7011058


