
Miniature Bearings Australia
P205 - Datasheet
MBA
Category Information
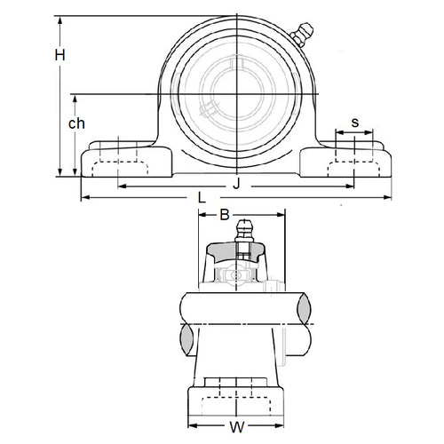
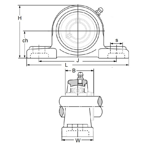
Housings - Cast Iron Pillow BlockCast Iron Pillow Block Housings. Lubrication Groove.
- An expanded range may be available on special order. Please enquire.
- Bearings sold separately.
- Larger sizes available on request.
- Use with steel bearing inserts for cast iron housings.
Product Data
- Height (H)
:
70.000
mm
(Equiv. 2.756 in.) - Length (L)
140.000
mm
(Equiv. 5.512 in.) - Base Width (W)
45.000
mm
(Equiv. 1.772 in.) - Bolt Hole Centres (J) 105.000 mm
- Centre Height (cH) 36.500 mm
- Bearing Width (B) 34.000 mm
- To Suit Bearing UC205
- Bolt Hole Size (s) 13 x 19 mm
- Material Cast Iron
Product Compliance and Data
Additional Resources
Cross References
- Nachi P205J


