
Miniature Bearings Australia
SJ-6TRS - Datasheet
MBA
Category Information
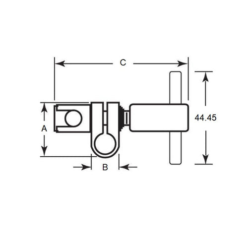
Joints - Swivel - Tee Handle - SteelSteel Tee Handle Swivel Joints. Precision made. Column lock feature. Will not become loose when adjusting. Universal design will fit any make of magnetic base, surface gauge or indicator. 12L14 Steel.
- Designed for stability these clamps offer a strong and steady, hold tightly securing your dial indicator throughout the testing process. This ensures precision in every reading minimizing measurement errors and increasing efficiency in your projects.
- Also known as Swivel Clamps.
Product Data
- End Hole
:
7.94
mm
(Equiv. 0.313 in.) - Inner Swivel Hole
9.53
mm
(Equiv. 0.375 in.) - Swivel Attachment Length (A)
24.606
mm
(Equiv. 0.969 in.) - B 12.700 mm
- C 53.975 mm
Product Compliance and Data
Additional Resources


