Miniature Bearings Australia - MBA Minibearings
Miniature Bearings Australia

BF0079-0040-0095-DS - Datasheet

MBA

Category Information

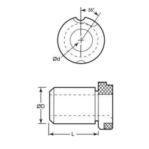
Bushings - Drill - Flanged - Slip Fit

Slip Fit Flanged Drill Bushings. Flanged slip fit selection. Harden steel

  • Hardened metal component that provides a precise guide for cutting tools, ensuring accurate and repeatable hole placement in jigs and fixtures.
  • Constrains the drill bit, it reduces tool deflection and tool wear, leading to more consistent holes and longer tool life.
  • Hardness: RC 62-64
  • Permanently pressed into the jig plate creating a precise location point. Used with fixed or slip renewable bushings.

Product Data

  • Outside Diameter (OD) : 7.938 mm + 0.0000 / - 0.0051
    (Equiv. 0.313 in.)
  • Drill Size 3.969 mm + 0.0025 / + 0.0102
    (Equiv. 0.156 in.)
  • Length 9.525 mm
    (Equiv. 0.375 in.)
  • Material Carbon Steel
Country of Origin: US

Product Compliance and Data

Additional Resources

    Cross References

    • BSF-13110
    • BSF13110
    View full details