
Miniature Bearings Australia
BF0079-0040-0127-DS - Datasheet
MBA
Category Information
Bushings - Drill - Flanged - Slip FitSlip Fit Flanged Drill Bushings. Flanged slip fit selection. Harden steel
- Hardened metal component that provides a precise guide for cutting tools, ensuring accurate and repeatable hole placement in jigs and fixtures.
- Constrains the drill bit, it reduces tool deflection and tool wear, leading to more consistent holes and longer tool life.
- Hardness: RC 62-64
- Permanently pressed into the jig plate creating a precise location point. Used with fixed or slip renewable bushings.
Product Data
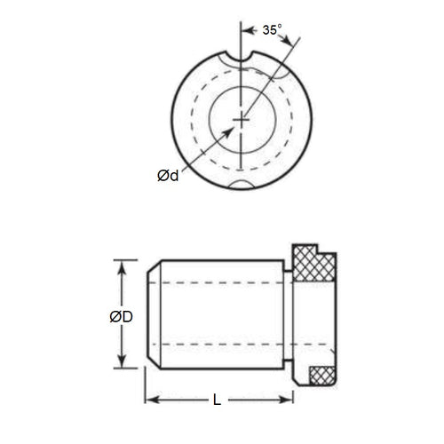
- Outside Diameter (OD)
:
7.938
mm
+ 0.0000 / - 0.0051
(Equiv. 0.313 in.) - Drill Size
3.969
mm
+ 0.0025 / + 0.0102
(Equiv. 0.156 in.) - Length
12.700
mm
(Equiv. 0.5 in.) - Material Carbon Steel
Product Compliance and Data
Additional Resources
Cross References
- BSF-13120
- BSF13120


