
Miniature Bearings Australia
BF0079-0111-0095-BS1416UH - Datasheet
MBA
Category Information
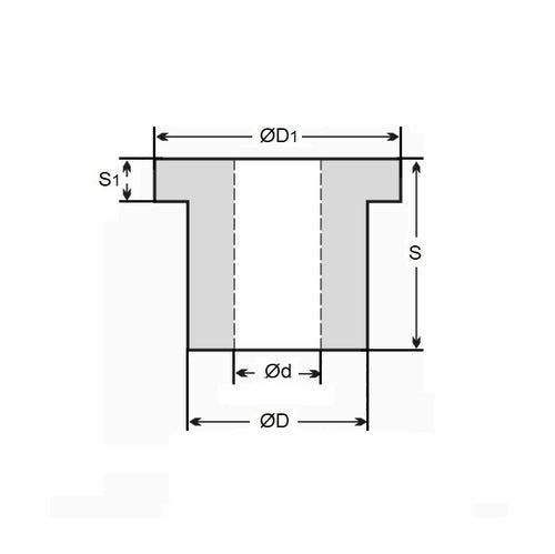
Bushes - Flanged - Bronze - SinteredSintered Bronze Flanged Bushes. Oil impregnated flanged sintered bronze bushes.
- An expanded range may be available on special order. Please enquire.
- Precision items show an allowable Load Speed Rating in Newtons times RPM.
Product Data
- Nominal Inside Diameter (d)
:
7.938
mm
+ 0.00 / - 0.025
(Equiv. 0.313 in.) - Nominal Outside Diameter (D)
11.113
mm
+ 0.038 / + 0.063
(Equiv. 0.438 in.) - Length (s)
9.525
mm
+/- 0.127
(Equiv. 0.375 in.) - Flange OD (D1) 14.29 mm
- Flange Thickness (S1) 1.59 mm
- Material Bronze SAE 841 Sintered
Product Compliance and Data
Additional Resources
- DU Bush Material Information
- General Bushes Catalogue
- Sintered Bronze Products Catalogue
- Solid Bronze Bushes catalogue
Cross References
- Oilite FF-411-1
- Oilube FF-411-1
- Oilite FF411-1
- FF4111
- BF007901110095BS


