
Miniature Bearings Australia
BF0079-0111-0191-BS1624LL - Datasheet
MBA
Category Information
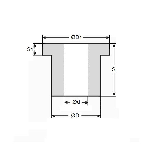
Bushes - Flanged - Bronze - SinteredSintered Bronze Flanged Bushes. Oil impregnated flanged sintered bronze bushes.
- An expanded range may be available on special order. Please enquire.
- Precision items show an allowable Load Speed Rating in Newtons times RPM.
Product Data
- Nominal Inside Diameter (d)
:
7.938
mm
+ 0.012 / + 0.038
(Equiv. 0.313 in.) - Nominal Outside Diameter (D)
11.113
mm
+ 0.012 / + 0.038
(Equiv. 0.438 in.) - Length (s)
19.050
mm
+/- 0.191
(Equiv. 0.75 in.) - Flange OD (D1) 15.88 mm
- Flange Thickness (S1) 2.38 mm
- Material Bronze SAE 841 Sintered
Product Compliance and Data
Additional Resources
- DU Bush Material Information
- General Bushes Catalogue
- Sintered Bronze Products Catalogue
- Solid Bronze Bushes catalogue
Cross References
- 6338K454
- Boston FB-57-6
- Oilite FB57-6
- A7B4-SF101406
- A7B4SF101406
- FB576
- BF007901110191BS
- BF007901110191BSLL


