
Miniature Bearings Australia
REF-079-R-CT-A - Datasheet
MBA
Category Information
Rod Ends - Female - Steel - Plain - PTFE Lined - Tight FitTight Fit PTFE Lined Plain Steel Female Rod Ends. Imperial and Metric. Tight fit (Minimal ball clearance) / Carbon Steel. Also known as Heim Joints
- An expanded range may be available on special order. Please enquire.
- Dimensions not shown are available on request.
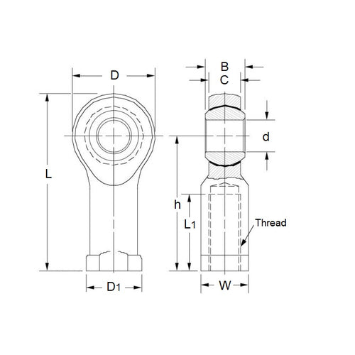
Product Data
- Eye Size (d1)
:
7.938
mm
(Equiv. 0.313 in.) - Thread Size 5/16-24 UNF Right
- Thread Length (l2) 17.45 mm
- Head Width (W) 8.73 mm
- Eye Width (W1) 11.11 mm
- Head Diameter (D) 22.23 mm
- Centre Height (l1) 34.93 mm
- Body Width/Flange Width(W2/D3) 11.11 / 12.70 mm
- Material Steel with PTFE lined Raceway
Product Compliance and Data
Additional Resources
Cross References
- 2458K33-RIGHT
- EF5T
- EF-5T
- 2458K33RIGHT


