Miniature Bearings Australia - MBA Minibearings
Miniature Bearings Australia

BFM-312-A - Datasheet

MBA

Category Information

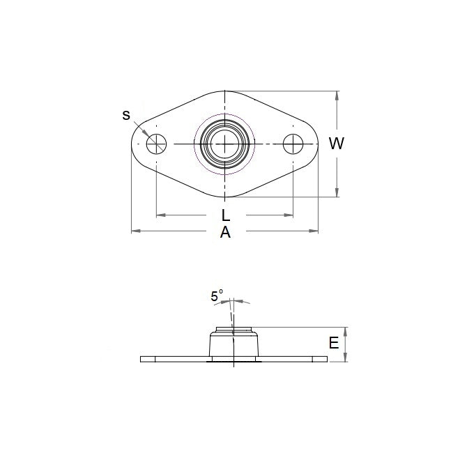
Housing and Bearing Assembly - Flanged 2 Bolt - Self Aligning - Plastic

Plastic Self Aligning Flanged 2 Bolt Housing and Bearing Assembly. This is the main category in this series

  • Bearing housing assemblies combine matching parts already assembled. Bearings in this range refer to either ball bearings or plain bearings. Refer to the listings for each type.
  • Flanged mounting allows for a shaft to run through a bulkhead to which the housing is mounted, or to have a shaft mounted perpendicular to a metal frame.
  • +/- 5% Static Alignment

Product Data

Deleted Item. Available while stocks last.

Please contact us first if you wish to use this item in a new design so we can check whether production can be resumed.

  • Nominal Shaft Size : 7.938 mm
    (Equiv. 0.313 in.)
  • Width (W) 53.34 mm
    (Equiv. 2.1 in.)
  • Overall Length (A) 15.08 mm
    (Equiv. 0.594 in.)
  • Overall Height (E) 30.23 mm
  • Min to Max Shaft Dia. 7.963 to 8.014 mm
  • Max. Radial Dynamic Load 534 N
  • Bolt Hole Centres (L) 38.86 mm
  • Max Speed 1220
  • Material Delrin ™
Country of Origin: US

Product Compliance and Data

Additional Resources

    View full details