
Miniature Bearings Australia
REF-079-R-CC - Datasheet
MBA
Category Information
Rod Ends - Female - Steel - Plain - StampedStamped Plain Steel Female Rod Ends. Economy stamped style combines high strength with low cost. Also known as Heim Joints
- An expanded range may be available on special order. Please enquire.
- Made from low carbon steel and plated for corrosion resistance.
- Ball is case hardened.
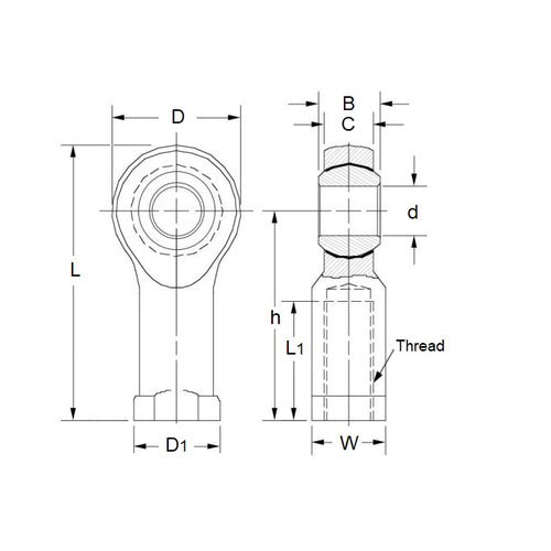
Product Data
- Eye Size (d1)
:
7.938
mm
(Equiv. 0.313 in.) - Overall Length (L)
47.80
mm
(Equiv. 1.882 in.) - Thread Size 5/16-24 UNF Right
- Thread Length (l2) 17.45 mm
- Head Width (W) 7.75 mm
- Eye Width (W1) 11.10 mm
- Head Diameter (D) 25.78 mm
- Centre Height (l1) 34.93 mm
- Body Width/Flange Width(W2/D3) 11.10 / 14.99 mm
- Material Steel Stamped
Product Compliance and Data
Additional Resources
Cross References
- ARE30
- ARE-30


