
Miniature Bearings Australia
REF-079-L-PP-A - Datasheet
MBA
Category Information
Rod Ends - Female - PlasticPlastic Female Rod Ends. Thermoplastic Body / L280(R) Polymer Ball. Also known as Heim Joints
- An expanded range may be available on special order. Please enquire.
- Dimensions not shown are available on request.
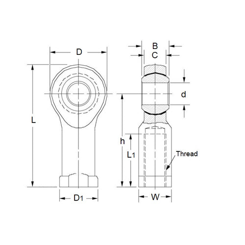
Product Data
- Eye Size (d1)
:
7.938
mm
(Equiv. 0.313 in.) - Overall Length (L)
46.05
mm
(Equiv. 1.813 in.) - Thread Size 5/16-24 UNF Left
- Thread Length (l2) 17.45 mm
- Head Width (W) 11.10 mm
- Eye Width (W1) 7.92 mm
- Head Diameter (D1) 19.05 mm
- Centre Height (l1) 34.93 mm
- Grease Nipple No
- Max Angle of Pivot 25 °
- Max Torque Strength 6.00 n.m
- Body Width/Flange Width(W2/D3) 12.70 / 17.45 mm
- Material Plastic
Product Compliance and Data
Additional Resources
Cross References
- 1064K73-LEFT
- Igus KBLI-05
- 1064K73LEFT
- KBLI05


