
Miniature Bearings Australia
PLIT-060-120-150-56-LKP-C - Datasheet
MBA
Category Information
Plungers - Indexing Pull Knob - Steel - With Locking SlotWith Locking Slot Steel Indexing Pull Knob Plungers. With thermoplastic knob
- Spring-loaded pin used to lock a part into a specific position.
- To use it, pull the handle or knob, which retracts the pin, allowing the part to be moved freely. When released the pin springs back into a hole, securing the part in its new position.
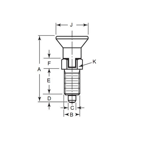
Product Data
- Thread (B) : M12x1.5 (Fine)
- Overall Length (A)
56.0
mm
(Equiv. 2.205 in.) - Initial End Force 6.4 N
- Final End Force 2.7 N
- Tip Diameter (C) 6.0 mm
- Tip Length (D) 6.0 mm
- Hex Height (F) 8.0 mm
- Knob Diameter (J) 25.0 mm
- Hex Size (K) 14.0
- Material Steel
Product Compliance and Data
Additional Resources
Cross References
- KBP609
- KBP-609


