Miniature Bearings Australia - MBA Minibearings
Miniature Bearings Australia

CLP-060-0181G-S4 - Datasheet

MBA

Category Information

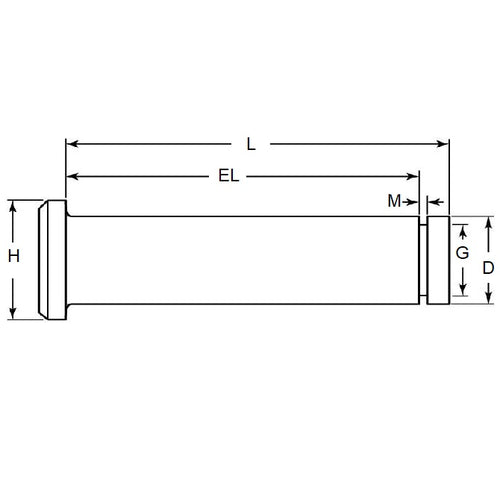
Pins - Clevis - Groove Locking - Stainless Steel 300 Grade

Stainless Steel 300 Grade Groove Locking Clevis Pins. Match with a suitable E-Clip or Circlip to suit groove size shown in listings

  • Non-threaded fastener with a head on one end and a hole/groove on the other, used to connect two or more parts in a way that allows for rotation, similar to a bolt, by passing through aligned holes.
  • A retaining pin, such as a cotter pin, E-clip or R-clip, is inserted into the hole/groove at the end to keep the clevis pin secured in place.
  • In addition to retaining parts on a shaft or axle, clevis pins can also be used as light duty axles, spring holders or even fishing line weights.
  • Grooved end to suit retaining clip instead of pin.

Product Data

  • Nominal Pin Diameter (D) : 6.00 mm - 0.04 / - 0.16
    (Equiv. 0.236 in.)
  • Grip Length (EL) 18.06 mm + 0.51 / - 0.00
    (Equiv. 0.711 in.)
  • Nom. Length (L) 20.00 mm + 0.51 / - 0.00
    (Equiv. 0.787 in.)
  • Head Diameter (H) 10.00 mm
  • Groove Diameter (G) 5.0 mm
  • Groove Width (M) 0.7 mm
  • Suggested E-Clip ECL-0050-0060-S15
  • Material Stainless Steel 300 Series
Country of Origin: US

Product Compliance and Data

Additional Resources

Cross References

  • Oilube CLPGMS-060-020
  • CLPGMS060020
  • CLP0600200GS4
View full details