Miniature Bearings Australia - MBA Minibearings
Miniature Bearings Australia

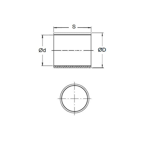
BP0060-0100-0060-PM - Datasheet

Iglidur

Category Information

Bushes - Unflanged - Plastic - Iglidur M250

Iglidur M250 Plastic Unflanged Bushes. For impact resistance vibration dampening unclean environments.

  • An expanded range may be available on special order. Please enquire.
  • Specific Gravity 1.14 g/cm3.
  • Operating Temp 170 C short term / 80 C long term.
  • Tensile Strength at 20 Deg C = 112 Mpa.
  • Hardness 79 Shore D (DIN53505).
  • Bushing bore tolerance shown is after a H7 press fit.

Product Data

  • Nominal Inside Diameter (d) : 6.000 mm + 0.030 / + 0.105
    (Equiv. 0.236 in.)
  • Nominal Outside Diameter (D) 10.000 mm
    (Equiv. 0.394 in.)
  • Length (s) 6.000 mm + 0.000 / - 0.180
    (Equiv. 0.236 in.)
  • Material Iglidur M250
Country of Origin: DE

Product Compliance and Data

Additional Resources

Cross References

  • Igus MSM-0610-06
  • MSM061006
View full details