
Miniature Bearings Australia
BP0060-0080-0050-AOI - Datasheet
MBA
Category Information
Bushes - Unflanged - Plastic - Acetal - Oil ImpregnatedOil Impregnated Acetal Plastic Unflanged Bushes. Oil impregnated acetal with self-lubricating characteristics.
- An expanded range may be available on special order. Please enquire.
Product Data
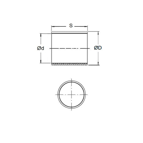
- Nominal Inside Diameter (d)
:
6.000
mm
+ 0.10 / - 0.00
(Equiv. 0.236 in.) - Nominal Outside Diameter (D)
8.000
mm
+ 0.00 / - 0.10
(Equiv. 0.315 in.) - Length (s)
5.000
mm
+ 0.00 / - 0.12
(Equiv. 0.197 in.) - Material Acetal Oil Filled
Product Compliance and Data
Additional Resources
- DU Bush Material Information
- General Bushes Catalogue
- Sintered Bronze Products Catalogue
- Solid Bronze Bushes catalogue
Cross References
- DAIDO DBS0605


