
Miniature Bearings Australia
REF-060-R-CB - Datasheet
MBA
Category Information
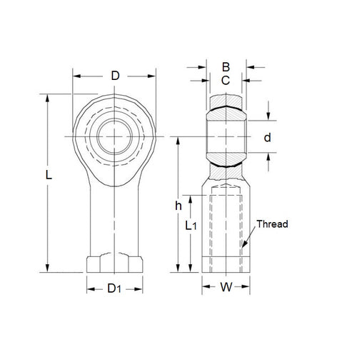
Rod Ends - Female - Steel - Plain - Bronze LinedBronze Lined Plain Steel Female Rod Ends. Imperial and Metric / Carbon Steel. Also known as Heim Joints
- An expanded range may be available on special order. Please enquire.
- Dimensions not shown are available on request.
Product Data
- Eye Size (d1)
:
6
mm
(Equiv. 0.236 in.) - Overall Length (L)
39.00
mm
(Equiv. 1.535 in.) - Thread Size (T) M6x1 Right
- Thread Length (l2) 14.00 mm
- Head Width (W) 6.75 mm
- Eye Width (W1) 9.00 mm
- Head Diameter (D) 18.00 mm
- Centre Height (l1) 30.00 mm
- Grease Nipple Yes
- Body Width/Flange Width(W2/D3) 11.00 / 13.00 mm
- Material Bronze Lined Steel
Product Compliance and Data
Additional Resources
Cross References
- MTR BNF6
- ASAHI JAF6
- KWK KF6
- IKO PHS6
- NTN SFI-6
- SFI6


