
Miniature Bearings Australia
BF0064-0095-0127-PRJ - Datasheet
MBA
Category Information
Bushes - Flanged - Plastic - Rulon JRulon J Plastic Flanged Bushes. Max Load: 5.2 MPa (750 psi). Gold colour. Max surface speed: 2m/s. Max PV: 0.26 (Mpa x m/s)
- An expanded range may be available on special order. Please enquire.
- Non Metallic Bushes. Excellent insulator. Nor suitable for steam or wet conditions. Not FDA compliant. Suitable for dry conditions or vacuum.
- 288 oC (550 Deg F) Maximum Working Temperature.
- Patented all polymeric PTFE compound which operates well against soft mating surfaces.
- Lowest co-efficient of friction in the Rulon(R) product range.
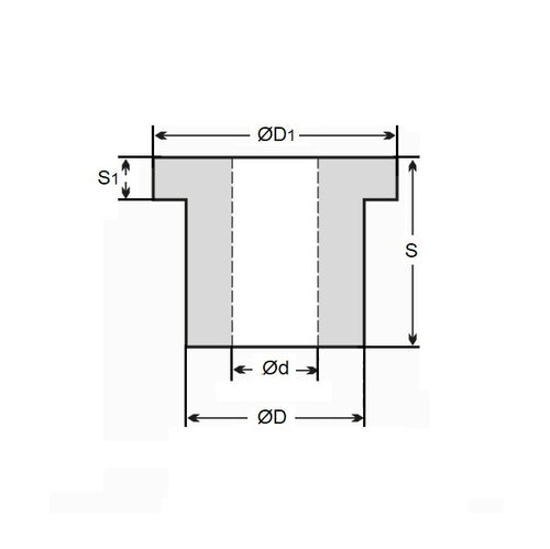
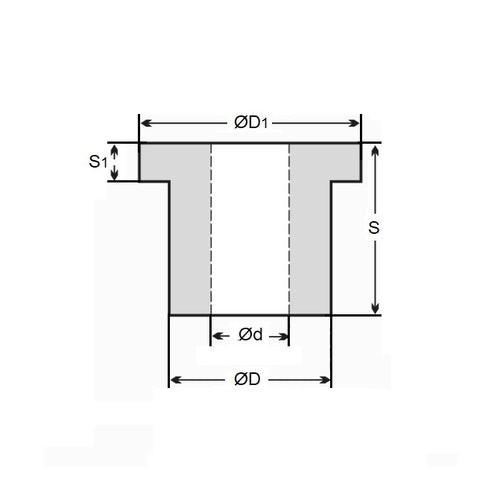
Product Data
- Nominal Inside Diameter (d)
:
6.350
mm
+ 0.15 / + 0.20
(Equiv. 0.25 in.) - Nominal Outside Diameter (D)
9.525
mm
+ 0.06 / + 0.11
(Equiv. 0.375 in.) - Length (s)
12.700
mm
+ 0.00 / - 0.25
(Equiv. 0.5 in.) - Flange OD (D1) 12.70 mm
- Flange Thickness (s1) 1.59 mm
- Rec. Housing Bore 9.525 / 9.500 mm
- Rec. Shaft Size 6.350 / 6.325
- Material Rulon J
Product Compliance and Data
Additional Resources
- DU Bush Material Information
- General Bushes Catalogue
- Sintered Bronze Products Catalogue
- Solid Bronze Bushes catalogue
Cross References
- 6377K12
- Rulon DRJF-0406-4-J
- Small Parts FBP-4-8
- DRJF04064J
- FBP48


