
Miniature Bearings Australia
BF0064-0159-0050-BS1811LU - Datasheet
MBA
Category Information
Bushes - Flanged - Bronze - SinteredSintered Bronze Flanged Bushes. Oil impregnated flanged sintered bronze bushes.
- An expanded range may be available on special order. Please enquire.
- Precision items show an allowable Load Speed Rating in Newtons times RPM.
Product Data
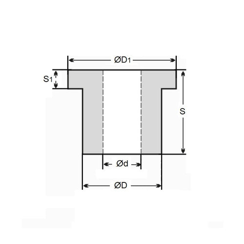
- Nominal Inside Diameter (d)
:
6.350
mm
+ 0.000 / + 0.010
(Equiv. 0.25 in.) - Nominal Outside Diameter (D)
15.875
mm
+ 0.003 / - 0.010
(Equiv. 0.625 in.) - Length (s)
4.978
mm
+ 0 / - 0.127
(Equiv. 0.196 in.) - Flange OD (D1) 17.53 mm
- Flange Thickness (S1) 1.07 mm
- Material Bronze SAE 841 Sintered
Product Compliance and Data
Additional Resources
- DU Bush Material Information
- General Bushes Catalogue
- Sintered Bronze Products Catalogue
- Solid Bronze Bushes catalogue
Cross References
- BF006401590050BS
- BF006401590050BSLU
- S99BP4FB164012
- S99BP4-FB164012


