Miniature Bearings Australia - MBA Minibearings
Miniature Bearings Australia

REF-064-L-CB - Datasheet

MBA

Category Information

Rod Ends - Female - Steel - Plain - Bronze Lined

Bronze Lined Plain Steel Female Rod Ends. Imperial and Metric / Carbon Steel. Also known as Heim Joints

  • An expanded range may be available on special order. Please enquire.
  • Dimensions not shown are available on request.

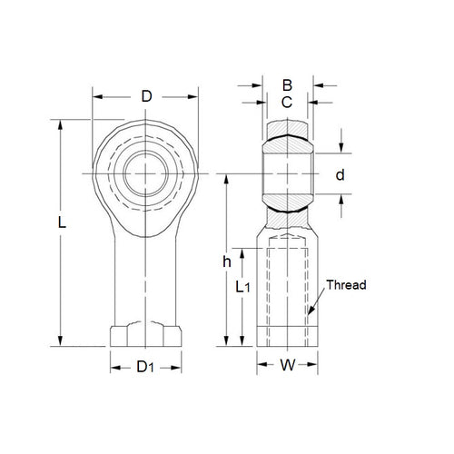
Product Data

  • Eye Size (d1) : 6.35 mm
    (Equiv. 0.25 in.)
  • Overall Length (L) 42.85 mm
    (Equiv. 1.687 in.)
  • Thread Size (T) 1/4-28 UNF Left
  • Thread Length (l2) 19.05 mm
  • Head Width (W) 7.14 mm
  • Eye Width (W1) 9.53 mm
  • Head Diameter (D) 19.05 mm
  • Centre Height (l1) 33.32 mm
  • Grease Nipple No
  • Body Width/Flange Width(W2/D3) 9.53 / 11.89 mm
  • Material Bronze Lined Steel
Country of Origin: JP

Product Compliance and Data

Additional Resources

    Cross References

    • 6072K154-LEFT
    • ASAHI JAFB4L
    • KWK KFB4L
    • IKO PHSB4L
    • Nachi PHSB-4L
    • NTN SFI-B4L
    • 6072K154LEFT
    • SFIB4L
    View full details