
Miniature Bearings Australia
REF-064-L-CN - Datasheet
MBA
Category Information
Rod Ends - Female - Steel - Plain - Nylon RacewayNylon Raceway Plain Steel Female Rod Ends. Also known as Heim Joints
- An expanded range may be available on special order. Please enquire.
Product Data
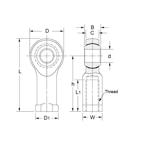
- Eye Size (d1)
:
6.35
mm
(Equiv. 0.25 in.) - Overall Length (L)
33.32
mm
(Equiv. 1.312 in.) - Thread Size 1/4-28 UNF Left
- Thread Length (l2) 19.05 mm
- Head Width (W) 7.14 mm
- Eye Width (W1) 9.53 mm
- Head Diameter (D) 19.05 mm
- Centre Height (l1) 33.33 mm
- Body Width/Flange Width(W2/D3) 9.53 / 11.91 mm
- Material Steel with Nylon Raceway
Product Compliance and Data
Additional Resources
Cross References
- SPFL4
- SPFL-4


