
Miniature Bearings Australia
SCC035C-029-037-TH-S3 - Datasheet
MBA
Category Information
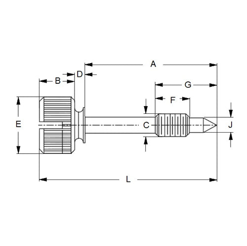
Screws - Captive - Thumb - StainlessStainless Thumb Captive Screws. Knurled Head.
Product Data
- Thread Size (C) : 6-32 UNC (3.5mm)
- Overall Length (L)
36.51
mm
(Equiv. 1.437 in.) - Thread Length (F)
5.56
mm
(Equiv. 0.219 in.) - Shank Length (A) 28.58 mm
- Top of Thread to End (G) 7.94 mm
- Plain Shaft Dia (J) 2.41 mm
- Material Stainless Steel 303/304 (Similar to A2, 18-8) HRB80
Product Compliance and Data
Additional Resources
- Screws & Nuts Catalogue
- Shoulder Screws Catalogue
- Socket Set (Grub) Screws Catalogue
- Thumb Screws & Thumb Nuts Catalogue
- Thread Size Chart - Combined Imperial & Metric
Cross References
- Reid Tool® RAF-1398
- RAF1398


