
Miniature Bearings Australia
GC-063-034-085-R17 - Datasheet
MBA
Category Information
Grommets - Natural Rubber - ClosedClosed Natural Rubber Grommets. Closed Natural Rubber Grommets
- This category will be discontinued when the remaining items are sold.
- All items are priced to quit.
- Backorders or orders for previously listed items in the category will only be available for very large orders.
- 50 +/-5 Durometer
- Dustproof with Approx 0.5mm thick Membrane
- Easy to Install
- Dust protection
Product Data
Deleted Item. Available while stocks last.
Please contact us first if you wish to use this item in a new design so we can check whether production can be resumed.
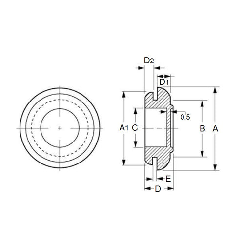
- Plate Hole Diameter (B)
:
6.30
mm
(Equiv. 0.248 in.) - Inside Diameter (C)
3.40
mm
(Equiv. 0.134 in.) - Outside Diameter (A)
8.50
mm
(Equiv. 0.335 in.) - Outside Diameter (A1) 8.50 mm
- Thickness (D) 4.7 mm
- Plate Thickness (E) 1.70 mm
- Quantity Per Card 10
- Material Natural Rubber
Product Compliance and Data
Additional Resources
Cross References
- KT KTGMC0603S


