
Miniature Bearings Australia
BF0050-0130-0050-BS1410LU - Datasheet
MBA
Category Information
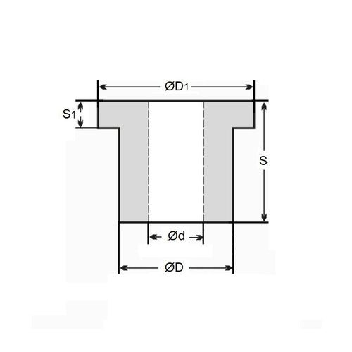
Bushes - Flanged - Bronze - SinteredSintered Bronze Flanged Bushes. Oil impregnated flanged sintered bronze bushes.
- An expanded range may be available on special order. Please enquire.
- Precision items show an allowable Load Speed Rating in Newtons times RPM.
Product Data
- Nominal Inside Diameter (d)
:
5.000
mm
+ 0.000 / + 0.012
(Equiv. 0.197 in.) - Nominal Outside Diameter (D)
13.000
mm
+ 0.000 / - 0.011
(Equiv. 0.512 in.) - Length (s)
5.000
mm
+ 0 / - 0.170
(Equiv. 0.197 in.) - Flange OD (D1) 14.00 mm
- Flange Thickness (S1) 1.00 mm
- Material Bronze SAE 841 Sintered
Product Compliance and Data
Additional Resources
- DU Bush Material Information
- General Bushes Catalogue
- Sintered Bronze Products Catalogue
- Solid Bronze Bushes catalogue
Cross References
- BF005001300050BS
- BF005001300050BSLU
- S99BP4MFB051350


