
Miniature Bearings Australia
PLIT-050-100-100-44-LKP-S3 - Datasheet
MBA
Category Information
Plungers - Indexing Pull Knob - Stainless and Plastic - With Locking SlotWith Locking Slot Stainless and Plastic Indexing Pull Knob Plungers. With thermoplastic knob
- Spring-loaded pin used to lock a part into a specific position.
- To use it, pull the handle or knob, which retracts the pin, allowing the part to be moved freely. When released the pin springs back into a hole, securing the part in its new position.
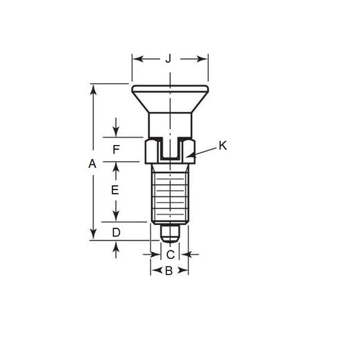
Product Data
- Thread (B) : M10x1 (Extra Fine)
- Overall Length (A)
43.5
mm
(Equiv. 1.713 in.) - Initial End Force 0.5 N
- Final End Force 1.2 N
- Tip Diameter (C) 5.0 mm
- Tip Length (D) 5.0 mm
- Hex Height (F) 7.0 mm
- Knob Diameter (J) 21.0 mm
- Hex Size (K) 13.0
- Material Stainless Steel 303 (Similar to A2, 304, 18-8)
Product Compliance and Data
Additional Resources
Cross References
- KBP558
- KBP-558


