
Miniature Bearings Australia
PLIT-050-095F-47-LK-S3 - Datasheet
MBA
Category Information
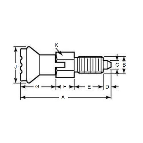
Plungers - Indexing - Locking - With Knob -StainlessWith Knob -Stainless Locking Indexing Plungers. Used to prevent change in locking position due to shearing force. Spring loaded for use in fastening, locating and indexing on equipment, tooling and other applications.
- Spring-loaded pin used to lock a part into a specific position.
- To use it, pull the handle or knob, which retracts the pin, allowing the part to be moved freely. When released the pin springs back into a hole, securing the part in its new position.
- 303 Stainless Steel
Product Data
- Thread (B) : 3/8-24 UNF (9.53mm)
- Thread Length (E)
17.0
mm
(Equiv. 0.669 in.) - Initial End Force 0.5 N
- Final End Force 1.2 N
- Tip Diameter (C) 5.0 mm
- Tip Length (D) 5.1 mm
- Handle Length (G) 18.0 mm
- Hex Diameter (K) 13.0
- Material Stainless Steel 303 (Similar to A2, 304, 18-8)
Product Compliance and Data
Additional Resources
Cross References
- GIP-85
- GIP85


