
Miniature Bearings Australia
GE-05500-09000-ST-OH - Datasheet
MBA
Category Information
Bushings - Spherical - Steel - With Oil HoleWith Oil Hole Steel Spherical Bushings. Steel spherical plain bearings. Also known as ball bushings.
- Self-aligning bearing that has spherical inner and outer rings, allowing it to handle both large radial and axial loads simultaneously.
- Used in applications with slow swinging movements or where misalignment must be compensated for, such as in control linkages, suspension components, and industrial machinery.
- Designed to reduce vibration and noise by allowing articulating motion in a fixed directional load.
- Compensates for axial loads and misalignment.
Product Data
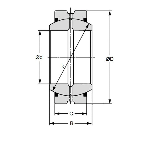
- Bore (d1)
:
55.000
mm
(Equiv. 2.165 in.) - OD (d2)
90.000
mm
(Equiv. 3.543 in.) - Width (B)
47.000
mm
(Equiv. 1.85 in.) - Outer Width (C) 40.00 mm
- Dynamic Load Capacity 32000 kgf
- Static Load Capacity 192000 kgf
- Features No Wiper Seals / With Oil Hole
- Material Steel
Product Compliance and Data
Additional Resources
Cross References
- Nachi SB-55A
- IKO SB-55-A
- SB55A


