
Miniature Bearings Australia
BP0508-0635-0889-BSTH - Datasheet
MBA
Category Information
Bushes - Unflanged - Bronze - SinteredSintered Bronze Unflanged Bushes. Oil impregnated sintered bronze bushes.
- An expanded range may be available on special order. Please enquire.
- Precision items show an allowable Load Speed Rating in Newtons times RPM.
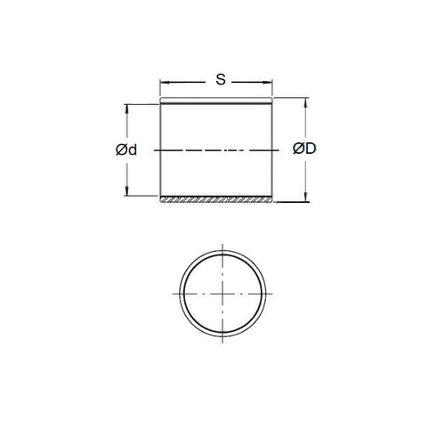
Product Data
- Nominal Inside Diameter (d)
:
50.800
mm
+ 0.064 / + 0.102
(Equiv. 2 in.) - Nominal Outside Diameter (D)
63.500
mm
+ 0.089 / + 0.127
(Equiv. 2.5 in.) - Length (s)
88.900
mm
+/- 0.254
(Equiv. 3.5 in.) - Material Bronze SAE 841 Sintered
Product Compliance and Data
Additional Resources
- DU Bush Material Information
- General Bushes Catalogue
- Sintered Bronze Products Catalogue
- Solid Bronze Bushes catalogue
Cross References
- Bunting EP324056
- Daemar P-202-28
- Symmco SS-6480-56
- BP050806350889BS
- BP050806350889BSH
- BP050806350889BSHH
- SS648056
- P20228
- A7B4SP587828
- A7B4-SP587828


